Systems Design

Little Shop of Horrors Design Package

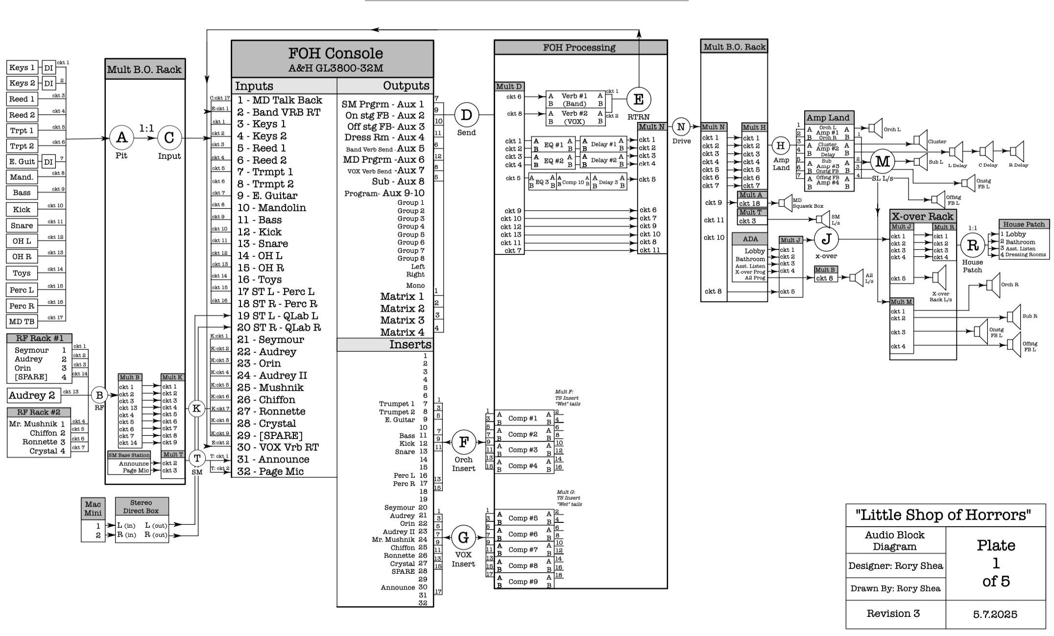
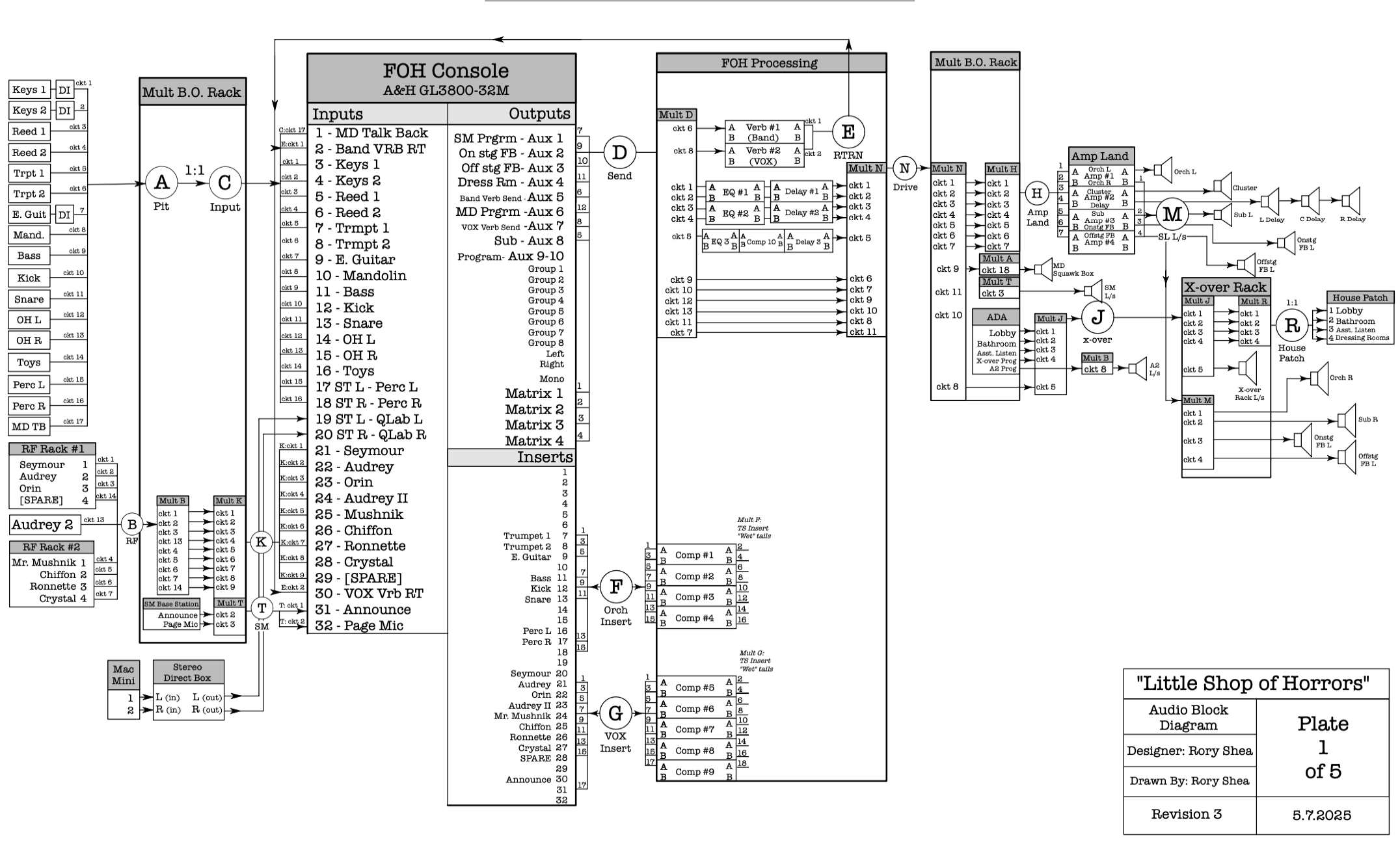
The gallery below shows various pages from my Little Shop of Horrors design package (hypothetical).

It includes an audio block diagram, power distribution block diagram (both drafted in Vectorworks), as well as an I:O and various sheets from my Multicable package.

I coincidentally designed Little Shop at the Winnipesaukee Playhouse a few months later!

Flowers for Mrs. Harris System Design

Below are the ground plan, sections, and I:O for Flowers for Mrs. Harris, my final main stage design at Boston University. The system was run through a Yamaha QL5 and featured 12 Martin CDD-Live8’s, 3 Martin CDD-Live 12’s, 2 Martin SXP118 subwoofers, 15 Shure ULX transmitters paired with Countryman B3 elements and a six-piece orchestra mic’d with various wired microphones, Aviom A360 Personal Mixers, all connected to our console via a Rio1608-D stage box.

For more details on this design, please see the Project section of my site!

“Flowers for Mrs. Harris” ground plan and sections drafted

in collaboration with Irene Wang (asst. designer)